Cadillac Schaltplan Pdf Deutsch Cadillac Stereo Wiring Diagrams
[download 39+] elektrischer schaltplan englisch. Elektrischer schaltplan deville. Elektrischer schaltplan / wiring diagram cadillac deville and brougham
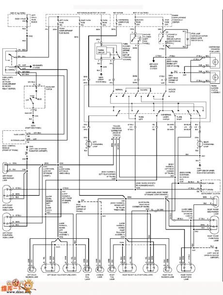
cadillac schaltplan pdf deutsch
Download PDF
If you are {looking for|searching about} [Download 39+] Elektrischer Schaltplan Englisch you've {came|visit} to the right {place|web|page}. We have 11 {Pics|Pictures|Images} about [Download 39+] Elektrischer Schaltplan Englisch like [Download 39+] Elektrischer Schaltplan Englisch, Elektrischer Schaltplan / Wiring Diagram Cadillac DeVille and Brougham and also Index 161 - Automotive Circuit - Circuit Diagram - SeekIC.com. {Read more|Here you go|Here it is}:
Circuit diagram seekic cadillac embarkation lamp


Elektrischer schaltplan / wiring diagram cadillac deville and brougham. Elektrischer schaltplan / wiring diagram cadillac deville and brougham. Elektrischer schaltplan / wiring diagram cadillac deville and brougham. Schaltplan deville
[Download 39+] Elektrischer Schaltplan Englisch
[Download 39+] Elektrischer Schaltplan Englisch
Index 159 - - Automotive Circuit - Circuit Diagram - SeekIC.com
Die Sicherungskasten und das Relais für Cadillac Eldorado (1997-2002
Elektrischer Schaltplan / Wiring Diagram Cadillac DeVille and Brougham

No comments:
Post a Comment